第一作者:郭旭刚(1986—),男,山西高平人,硕士.研究方向为铁路牵引供电系统.email:xgguo@bjtu.edu.cn.
为优化动车组高压保护系统,本文详细分析中国标准动车组牵引变压器空载合闸引起的涌流特性理论模型及其空载合闸实测数据,对比研究了中国标准动车组不同角度合闸涌流特性、变压器原次边电压特性及其影响.通过对实测数据深入分析与研究,在一定角度范围内相控合闸可以有效抑制动车组主断路器频繁合闸引起励磁涌流影响,从而提高整个牵引供电系统电气设备安全性.同时中国标准动车组宝贵实测数据为动车组高压系统关键部件选型及主电路参数的设计提供重要技术支撑.
In order to optimize the protection of high-voltage system of EMU, this paper discusses in detail the theoretical model of inrush current and measurement data of random no-load closing of China standard EMU traction transformer. It also comparatively analyzes the characteristics of China standard EMU inrush current and the voltage characteristics of the primary side of the transformer and its influence. Through the measured data analysis, it is found that the proposed method could reduce the inrush current caused by the EMU main circuit breaker frequent closing so that it could improve the protection of the EMU high-pressure system. Meanwhile, it provides the technical support for the selection of key components and the main circuit design of the high-voltage system of EMU.
随着我国高速铁路的快速发展, 现在具有完全自主知识产权的中国标准动车组, 其装备制造水平不断提高.牵引变压器是动车组高压系统中的重要设备之一, 其安全稳定运行是动车组安全运行的重要保障.我国高速动车组运行时速高达到250~350 km/h, 断路器频繁的分合导致励磁涌流迅速增大, 涌流现象愈发突出, 产生的过电压过电流对牵引供电系统设备的影响较大.
动车组长期频繁的励磁涌流冲击会损坏牵引变压器的绝缘, 导致绕组变形及差动误动作; 谐波含量较高的励磁涌流注入牵引供电系统影响接触网电能质量, 容易引起谐振及污染电磁环境, 降低用电设备寿命[1].所以深入研究动车组牵引变压器的励磁涌流对设计动车组高压供电系统具有重要意义.
目前, 国内高校针对电力变压器励磁涌流的研究相对较多:文献[2]对三相V/V接线牵引变压器有效识别励磁涌流与故障电流进行仿真与算法研究.文献[3]基于EMTDC/PSCAD模型研究V/V接线牵引变压器电压暂降与涌流的关系.文献[4]通过EMTP仿真研究三相YN, d接法变压器抑制励磁涌流幅值及暂态过程.文献[5]通过仿真实验验证新型变参数控制策略来抑制励磁涌流来优化系统设计, 且都处于理论仿真阶段, 无法工程应用推广.但国内高校对高速动车组牵引变压器励磁涌流研究较少, 加之动车组复杂的电气及空间结构导致部分电感电容等分布参数的不确定性, 通过仿真等手段得出的电磁暂态过程未必准确, 甚至误差较大.
本文作者基于中国标准动车组CRH0503及CRH0207的牵引变压器空载合闸实测数据, 捕捉中国标准动车组随机合闸的励磁涌流现象, 通过实测数据对比分析中国标准动车组合闸涌流特性、变压器原次边电压特性及其影响.文中对中国标准动车组15次随机合闸的励磁涌流数据进行了汇总及对比, 并选取了典型的0° 、90° 及中间角度合闸时刻合闸涌流及原次边电压典型波形进行分析, 得出了动车组空载合闸涌流的谐波、间断角及原次边操作过电压等特性, 此数据的深入研究对动车组的高压系统设计提供了重要的数据.
动车组空载合闸接入牵引供电系统时, 动车组牵引变压器可能会出现瞬时较大的冲击电流(也称作励磁涌流)引起系统跳闸.当动车组牵引变压器二次侧开路, 一次侧接入牵引供电系统取电时, 其原理图如图1所示.
一次侧的回路电压方程可列写为
式中:
当动车组空载合闸时, 考虑到电阻电压降
式中, 根据常系数微分方程求解可由两部分组成, 一部分为稳态分量
式中:
由式(4)可以看出, 如果在
为充分了解空载合闸涌流特性, 需考虑变压器的铁心磁化曲线及铁心磁通变化情况, 因每个变压器饱和磁通
式中:
从式(6)可以看出, 变压器正向饱和时, 合闸角度
若变压器首次进入饱和时刻为
由式(8)可求解
同理,
综上述推导过程, 则间断角为
由式(11)看出, 励磁涌流间断角与变压器的磁通稳态分量幅值(电压幅值)、合闸角度和铁心剩磁有关.变压器饱和越厉害, 励磁涌流间断角就越小.
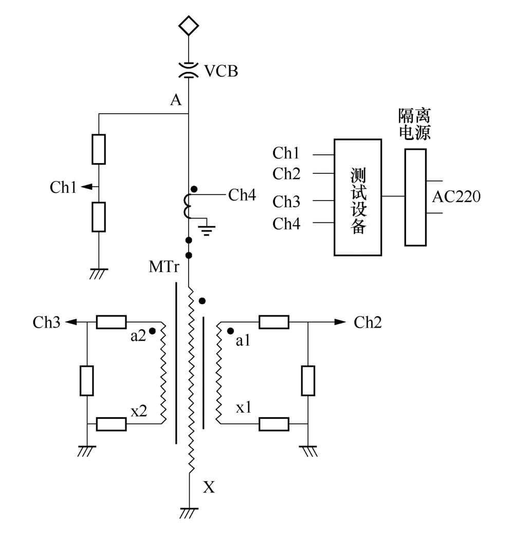
为充分了解中国标准动车组空载合闸的涌流特性, 分别对两列8辆编组的动车组CRH0503及CRH0207主断路器进行合闸操作, 每列动车组分别合闸15次并记录整个过渡过程波形, 测试设备安装原理如图2所示.图2中Ch1通道测试为主变压器原边电压, Ch2和Ch3测试分别为次级绕组1和2电压, Ch4测试为主变压器合闸涌流.
根据图2的测试原理图测得两列中国标准动车组CRH0503及CRH0207 的15次合闸数据统计分别如表1和表2所示.
| 表1 CRH0503标动合闸数据统计 Tab.1 Data statistics of CRH0503 |
| 表2 CRH0207四方合闸数据统计 Tab.2 Data statistics of CRH0207 |
表1中统计的Ch1、 Ch2、 Ch3通道测试的电压值按照过电压倍数标么值 p.u.(per unit)表示, 采样频率为100 kHz.
表1中动车组主变压器原边25 kV高压侧测得最高1.5倍过电压; 次级牵引绕组测得最高2.3倍过电压.
表2中动车组主变压器原边25 kV高压侧测得最高1.1倍过电压; 次级牵引绕组测得最高1.4倍过电压.
从表1和表2可以看出:高压系统一次绕组过电压倍数最大可达到1.5, 高压系统二次绕组过电压倍数最大可达到2.3.如果动车组断路器合闸在电压过零点时操作过电压倍数很小, 在电压峰值合闸时操作过电压倍数较大, 但是涌流很小.则合理控制合闸相位对减少操作过电压倍数和降低涌流值极为重要.
选取两列中国标准动车组分别随机合闸15次中较为典型的0
1)选取CRH0207第11次合闸数据进行分析, 其合闸角度较为典型, 约在余弦90
由式(4)得出, 在电压过零点时刻自由分量幅值最大, 铁心高度饱和后瞬态的激磁电流最大, 如图3(a)和图3(b)所示, 电流峰值高达748 A, 电流呈现明显的间断角, 且偏于时间轴的正轴一侧.
从图3(a)至图3(e)所有原边、次边绕组电压及涌流波形可以看出, 空载合闸时整个高压电气系统中存在大量谐波成分; 图3(d)和图3(e)次级绕组电压畸变较为严重.
2)选取CRH0207第6次合闸数据进行分析, 选取合闸中间角度约在60
由式(4)知, 此时自由分量幅值明显小于
从图4(c)至图4(e)可以看出, 在此时刻合闸, 系统中引入了操作过电压[8] , 操作过电压倍数过大时会严重影响动车组上电子设备的正常工作.此时高压系统一次绕组过电压倍数最大可达到1.1, 高压系统二次绕组过电压倍数最大可达到1.4.
从图4(f)可以看出, 系统从空载合闸在某一时刻切入较小的负荷, 此时的涌流并未完全衰减, 而是负荷电流和涌流叠加在一起, 且峰值约为涌流峰值和负荷峰值之和.由此可见, 动车组高速运行且频繁分合主断路器, 若分合主断路器和投入负荷时限不能有效配合, 则系统保护会引起误动作, 影响动车组安全平稳运行.
3)选取CRH0207第3次合闸数据进行分析, 其合闸角度较为典型, 约在余弦0
由式(4)可以看出, 在电压峰值时刻即约余弦0° 附近合闸时, 自由分量约为0, 则励磁电流约为0 A.此次合闸操作时各电气量正弦度较好, 整个系统电气量谐波引起的畸变不严重.
但从图5(b)至图5(d)同时可以看出新的问题, 此时的系统瞬时的操作过电压较大.此时高压系统一次绕组过电压倍数最大可达到1.1, 高压系统二次绕组过电压倍数最大可达到1.4.
动车组高压系统是由许多感性、容性元件所组成.高速动车组频繁的分合主断路器瞬间使得能量在感性和容性元件不断交替转化[9], 并在变压器一次绕组、二次绕组上产生操作过电压, 操作过电压幅值较高时, 影响动车组上电子设备寿命及正常工作, 同时也是影响铁路安全供电的主要原因.
根据以上测试数据及典型波形可以看出, 变压器空载合闸时励磁涌流具有以下特性.1)含有较大的非周期分量成分, 曲线往往偏向于时间轴的一侧; 2)含有大量的高次谐波成分; 3)动车组用单向变压器励磁涌流属于单向涌流, 一直有很大的直流分量; 4)励磁涌流存在明显的间断角; 5)励磁涌流具有较大的峰值, 数值较大, 与变压器容量大小有直接关系.小容量变压器励磁涌流相比额定电流倍数较大, 大容量变压器励磁涌流相比额定电流倍数较小; 6)开始部分衰减很快, 其后的衰减时间根据变压器容量大小衰减时间有所不同.短则几秒, 长则几十秒; 7)系统空载合闸时不同角度引起的涌流及原次边引起的操作过电压不可忽视, 选择合适的合闸角度对减小操作过电压具有一定意义.
在两列中国标准动车组分别随机合闸15次时, 可以看出合闸后一段时间内合闸涌流和次级绕组电压中含有较高的谐波成分, 次级绕组电压发生明显畸变.分别对CRH0207和CRH0503合闸涌流峰值最大时的第11次和第10次第1个周波进行谐波分析, 谐波分析汇总结果如图6、图7和表3所示.
| 表3 最大涌流时合闸瞬态第1个周波谐波分析 Tab.3 First wave harmonic analysis under the maximum inrush current |
从谐波分析结果可以得出:空载合闸时, 合闸涌流含有大量的偶数次谐波成分, 以2次谐波最为突出, 并引起了变压器次级绕组电压畸变[6, 7].CRH0207的约为110.1/272.6=0.40.CRH0503的最大2次谐波和基波电流比值
虽然中国标准动车组空载合闸最大励磁涌流并不会引起变压器差动保护动作, 但是高速铁路作为一个特殊的系统, 动车组在长距离长时间运行过程中过电分相时会不断地出现分合闸现象, 频繁的涌流现象会影响变压器的绝缘, 涌流频繁的电气冲击、热效应和机械应力可能会导致变压器绕组变形, 影响其使用寿命.同时涌流谐波成分注入牵引供电系统中影响供电质量, 对系统中其他电气设备有一定的破坏作用.
通过图4(f)可以看出, 如果动车组过分相时控制不好励磁涌流躲闪时限和投入负荷的时限, 励磁涌流和负荷电流的叠加将产生巨大的冲击电流, 虽然间断角不是很明显, 但是波形存在明显畸变, 此时容易造成相应的保护产生误动, 对铁路安全运行带来不便.
选取中国标准动车组CRH0207随机合闸第11次合闸涌流波形作为分析对象.图8定义
根据1节内容可知, 如果系统为理想系统, 则应该有
对于有损变压器来说, 偏磁越来越小, 饱和时间也越来越小, 间断角不断增大.文献[8]通过推到得出了涌流间断角和幅值随时间变化的计算公式, 可实时计算监测涌流间断角和幅值.
根据式(11)推导对比图3(b)和图4(b)可以看出, 不同角度合闸时, 会引起不同的间断角度.同样对比表3数据可知, 在同样的稳定外电源情况下, 随机两次合闸的各次谐波含量大有不同, 同时也可以反应出各谐波分量含量与间断角有关.
若对式(6)的励磁涌流进行傅里叶级数展开, 励磁涌流中含有非周期分量和各次谐波分量之和.根据式(6)饱和特性前提下, 各谐波含量分量仅与间断角有关, 而与励磁涌流幅值无关.
选取同一型号动车组、同一稳定外部电源进行不同间断角及不同涌流幅值条件下的谐波含量(与基波分量的百分比)对比, 对比结果汇总见表4.
| 表4 不同间断角(合闸角)和涌流幅值条件下谐波含量 Tab.4 Harmonic content under the condition of different dead angle (closing angle) and inrush urrent % |
从表4数据可以看出, 对比同一型号CRH0207在不同间断角合闸数据及两列标动几乎相近涌流幅值合闸数据, 可以看出各谐波含量百分比与间断角关联性更大, 与涌流幅值关联性较小.
综上分析, 动车组高速运行中每过一次电分相空载合闸一次, 往牵引供电系统注入含量较高的谐波, 污染电网, 降低相关电气设备正常运行影响行车安全.文中通过对实测数据典型波形的谐波含量、间断角(合闸角)分析, 可以看出在一定角度范围内控制合闸角度可以有效降低合闸涌流的幅值, 降低其对系统的影响.动车组作为一个单相系统, 相应的在线综合检测相控合闸可以有效解决此问题.
1)本文讨论牵引变压器空载合闸时理论模型, 基于实测中国标准动车组牵引变压器空载合闸数据, 对比分析了中国标准动车组合闸涌流特性、变压器原次边电压特性及其影响.通过实测数据及研究为动车组高压系统的保护提供了科学数据和理论支持.
2)为关键部件选型及主电路设计提供技术依据; 通过实测数据分析可以指导抑制动车组主断路器频繁合闸引起励磁涌流, 对动车组高压系统起到保护作用.
3) 通过实测合闸典型波形数据谐波含量及间断角分析, 在一定角度范围内控制合闸角度可以有效降低合闸涌流的幅值, 降低其对系统的影响.
The authors have declared that no competing interests exist.
| [1] |
|
| [2] |
|
| [3] |
|
| [4] |
|
| [5] |
|
| [6] |
|
| [7] |
|
| [8] |
|
| [9] |
|

