第一作者:骆丽(1966-),女,四川资阳人,教授,博士.研究方向为集成电路设计.email:lluo@bjtu.edu.cn
多通道双折射滤光器是太阳磁场观测的重要仪器,旨为提高太阳单色观测能力.本滤光器中双折射晶体的折射率对温度变化敏感,因此需对环境进行恒温控制.温度测量是恒温控制的前提.本文设计并完成一个基于Pt100的高精度温度测量系统,给出了高精度测温原理,温度采集系统电路及温度校准测量方案.利用RR9710,TD—1等高精度测温仪对精度进行间接标定.测试结果表明:本温度测量系统性能稳定,小型高效,测量精度可达到0.02 ℃.
The multi-channel birefringent filter, which is designed to improve the ability to observe the monochromatic property of the sun, is regarded as an important instrument for solar magnetic field observation. The refractive index of the birefringent crystal in the optical filter issensitive to temperature. Therefore, it is necessary to control constant temperature. Measuring temperature is premise of constant temperature control. A high-precision temperature measurement system based on Pt100 is studied and designed. The principle of high-precision temperature measurement, the circuit of temperature acquisition system and the scheme of temperature correction are provided.Finally, the high-precision temperature measurement instruments, such as RR9710, TD-1,are used to calibrate accuracy indirectly. The test results show that the temperature measurement system is stable and efficient.The accuracy could be reached to 0.02 ℃.
随着微电子等技术的飞速发展, 尤其是新型智能设备的广泛应用, 对测温技术及测温精度的要求不断提高.在新型天文望远镜系统中, 多通道双折射滤光器[1]是观测太阳磁场运动的重要仪器, 但滤光器中材料需在恒温下工作.高精度温度测量是实现恒温控制, 保证滤光器稳定工作的关键所在[2].国家天文台提出了一种热敏电阻和高精度ADC结合的测温电路设计方案[3], 但该方案主要采用的是闭环自动控制技术, 得到的是温度偏差量的闭环系统, 而非此时刻器件工作时所处的温度参数[4].相对于热敏电阻, 采用铂(Pt)电阻测量温度是一种可行性良好的高精度测温方法[5].文献[6]提出了以Pt100为测温元件的高精度温度测量方案, 但精度不佳(± 0.4 ℃).文献[7]提出了三线制恒流源驱动法驱动测温方案, 但结构复杂, 不适用于多通道双折射滤光器.鉴于放大器输入端子的
本文作者提出了一种高精密电阻与铂电阻并联, 并将两者电压作为模拟输入的电路设计方法, 能够将测量温度值转为测量温度相对一个恒定值的变化量, 此办法能有效解决单臂电桥等电路中数字信号取值范围利用率低的问题, 同时可提高测量温度的有效分辨率和精度.
铂电阻传感器是利用金属铂的电阻值
式中,
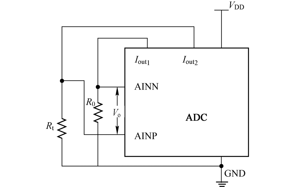
现有的控温电路有分压式电路与单臂电桥如图1和图2所示[10].分压式电路是依据串联电路中电流不变的原理设计而成, 其结构可减小测量范围的浪费.然而, 分压式电路采用电压源供电, 考虑到自热效应[11], 测温电路阻值不宜太小, 但高精度电阻
分压式电路提供了变绝对温度值为相对温度值的思路, 即将式(1)中常量100在输入电压中消去, 因为只要设置合适的相对参量, 相对温度取值就可以为0.基于此, 本文提出了一种新型的测温电路解决方案, 如图3所示, 图中Iout1和Iout2为ADC芯片输出电流.
将恒定阻值的
取
根据AD转换关系式, 可得
式中:D为数字量取[0, 1]; k为放大增益.由此通过式(3)和式(4)变换得到
式中:设置电压
说明满量程温度变化113.057 ℃, 已经达到了充分利用
对于分辨率, 假设当
虽然上述改进电路方案可以提高有效分辨率和有效数字位的利用率, 但是该电路中精密电阻仍会带来误差.
引入误差的参量.结合式(1)~式(5), 可得
式中:a与b分别为R c 与R t在0 ℃下的绝对误差.由于采用测温精度为0.15 ℃的铂热电阻, 其固定误差约为0.06.将
对比式(6), 考虑误差后多了0.415 6的绝对误差, 但该误差属于系统误差, 该电路测温示数与现有标准仪器示数进行对比时, 可予以消除.
因此, 设计一个将绝对温度转换为相对温度的方案, 既采用100 Symbol WA@的
硬件电路主要有温度信号采集电路、电源供电电路、放大电路、滤波电路及AD转换电路等.
利用Pt100电阻测温时, 需要把温度变化
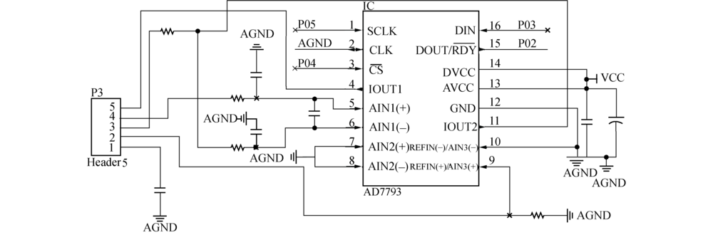
本设计中使用ADC芯片作为内部参考电压源, 提供激励电流分别流过Pt100和精密电阻, 产生一个微弱的信号.信号经过RC滤波输入至ADC芯片的模拟差分输入端AIN1(+)和AIN1(-), 进行放大及AD转换, 转换完成后的数据通过ADC芯片的DOUT接口输出.设计完成温度信号采集电路如图4所示.
为了减小系统误差和随机误差, 在系统设计完成后, 需进行测试及后期数据处理, 并利用RR9710, TD-1等高精度测温仪来间接标定精度.将测温仪和本系统的温度传感器置于一起, 保证两者所测温度为同一值.在PC端设计一个Labview上位机, 用来显示和保存所测温度值.
本设计中采用了两种温度校准方案, 第1种使用标准温度计RR9710, 其测温分辨率可以达到0.01 ℃, 测温精度可以达到0.1 ℃.测试时由于环境所限, 只将标准温度计与Pt100绑在一起置于自制保温箱中, 保证测量不受外界风力和湿度影响.测温环境如图6所示.
测温时, 温度变化和时间呈负相关关系, 测出15 ℃~85 ℃之间多组温度数据和AD转换后电压, 对这些数据最小二乘法拟合, 并在同一图上显示出Pt100的标准化曲线, 如图7所示.
使用Matlab进行线性拟合得出函数如下
为保证测温仪和Pt100测温点的温度数据完全吻合来构建恒温环境, 并加宽测温范围, 使用TD— 1数字测温仪和Pt100在保温杯中进行温度拟合, 测试环境如图8所示.
测出15 ℃~85 ℃之间多组温度数据和AD转换后电压, 对这些数据最小二乘法拟合, 并在同一图上画出Pt100的标准化曲线, 如图9所示.
使用Matlab进行线性拟合得出函数如下
对比式(9)和式(10)可知:
1)两式常数项相差0.09 ℃, 而一次项和二次项差别很小, 说明本设计温度和电压的拟合关系确定, 常数项的误差来自于测温表本身的系统误差.
2)除了测温表的系统误差, 拟合曲线和标准化曲线存在一定的系统误差, 这主要来自于Pt100的工艺误差、A/D芯片的恒流源和恒压源的误差, 已通过拟合修正.
在系统误差修正之后, 本文设计的主要误差来自于随机误差.为保证采样结果的准确性, 在42 ℃恒温环境下, 对采样节点进行短时间多次测量, 数据分布和数据概率分布分别如图10和图11所示, 滤波后数据为42.007 ℃, 可知本设计温度数据的随机误差较小, 滤波后温度数据较为可靠.
本文作者对比现有高精度测温方案及结合天文测温系统的实际要求, 提出了一个新型的电路设计方案.
1)利用给100 SymbolWA@的高精密电阻与铂电阻输入相同的电流, 并将二者电压作为模拟输入的电路设计方法, 有效解决单臂电桥等电路中数字信号取值范围利用率低的问题, 同时提高测量温度的有效分辨率.
2)在上位机中对测得的数据进行拟合, 可有效消除随机误差和噪声对测量结果的影响, 有利于提高了温度测量精度和稳定度.
3)通过与其他高精度测温仪对比实验, 对系统进行标定和实测, 并修正了温度电压关系式, 得到更符合实际的值.实验表明:此温度测量系统精度较高, 能够达到0.02 ℃.
The authors have declared that no competing interests exist.
| [1] |
|
| [2] |
|
| [3] |
|
| [4] |
|
| [5] |
|
| [6] |
|
| [7] |
|
| [8] |
|
| [9] |
|
| [10] |
|
| [11] |
|

