权电容DAC状态转换速度估计方法
蒋昊
1
, 侯建军
1
, 李哲英
2
Transition rate estimation of weighted capacitor array DAC
JIANG Hao
1
, HOU Jianjun
1
, LI Zheying
2
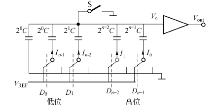
权电容阵列DAC电路模型